Where Engineering meets Precision

Bag Lifting Centrifuge

Bag Lifting Centrifuge

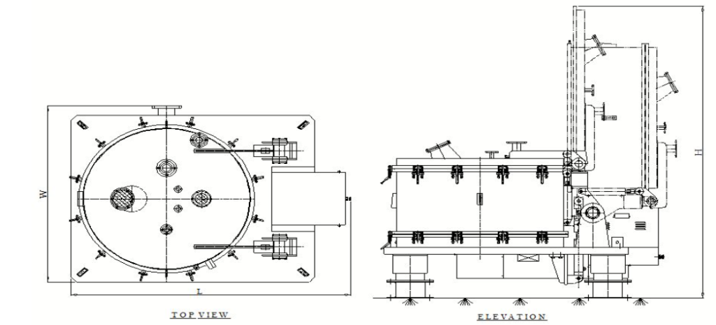
The Bag Lifting Centrifuge is an advanced version of the Manual Top Discharge Centrifuge, designed for higher productivity, easier handling, and improved operator safety. This centrifuge is the ideal choice for medium- and large-scale production plants.

In this design, the filter bag is securely fastened to the basket top plate, which is locked to the basket shell during operation. After the filtration cycle is complete, the top plate is unlocked and lifted out using a Bag Lifting Device. The entire filter bag, along with the processed cake, is removed in one step and taken to a designated location for unloading.

The slightly tapered basket shell ensures smooth bag removal without resistance, while the Bag Lifting Device eliminates the need for manual cake discharge inside the centrifuge. This reduces downtime, minimizes operator fatigue, and ensures faster turnaround between batches.

By combining simple operation with modern safety and productivity features, the Bag Lifting Centrifuge offers a significant step up from traditional manual top discharge machines.

Key Features

Tapered Basket Shell

Facilitates smooth and effortless removal of the filter bag.

Basket Plate with Locking Mechanism

Ensures secure fixing of the filter bag and easy release during discharge.

Operator Safety

Minimal manual handling inside the centrifuge; safer working environment.

Consistent Output

Uniform cake discharge ensures reliable product quality across batches.

GMP-Compliant Construction

Smooth surfaces, sanitary design, and easy-to-clean internals suitable for regulated industries.

Flexible Integration

Compatible with standard hoists or bag handling devices, ensuring easy installation in varied setups.

Ease of Maintenance

Simple mechanisms and robust build make cleaning and maintenance convenient.

Advantages

Applications

Technical Data - Bag Lifting Centrifuge

VBC-BL 24" x 12" 32" x 16" 36” x 20” 42” x 20” 48” x 24” 60” x 24” 60” x 30” 64” x 32” Units
Basket Diameter
610
800
915
1067
1210
1500
1500
1600
mm
Basket Height
300
410
510
490
610
610
750
800
mm
Filter Surface Area
0.57
1.00
1.47
1.64
2.3
2.87
3.58
4.02
m2
Useful Volume
50
100
176
221
350
600
750
900
Ltrs
Max Load at Bulk Density 1.0
50
100
176
221
350
600
750
900
kg
Max. speed of Basket
1400/1600
1200/1500
1100/1400
1000/1300
900/1200
800/1000
800/1000
800/950
rpm
Max G Force
668/872
644/1006
618/1002
596/1008
548/974
536/838
536/838
572/807
Centrifuge weight (with load)
750/900
2000/2500
2200/3000
3000/4000
4200/5000
5500/6500
7500/9500
8500/10000
kg
Motor Power for main drive
3/5
5/7.5
7.5/10
10/15
15/25
25/30
30/40
40
HP
Machine Length
1400
1900
2050
2150
2400
2850
3100
3100
mm
Machine Width
1100
1550
1600
1800
2100
2300
2400
2500
mm
Height (Lid Open)
1725
2200
2400
2600
2950
3350
3550
3700
mm

Technical Data - Bag Lifting & Full Body Open

VBC - BL FBO 32" x 16" 36" x 20" 42” x 20” 48” x 24” 60” x 24” 60” x 30” 64” x 32” Units
Basket Diameter
800
915
1067
1210
1500
1500
1600
mm
Basket Height
410
510
490
610
610
750
800
mm
Filter Surface Area
1.00
1.47
1.64
2.3
2.87
3.58
4.02
m2
Useful Volume
100
176
221
350
600
750
900
Ltrs
Max Load at Bulk Density 1.0
100
176
221
350
600
750
900
kg
Max. speed of Basket
1200/1500
1100/1400
1000/1300
900/1200
800/1000
800/1000
800/950
rpm
Max G Force
644/1006
618/1002
596/1008
548/974
536/838
536/838
572/807
Centrifuge weight (with load)
2000/2500
2500/3250
3500/4500
4400/5500
5800/7000
7500/9500
8500/10000
kg
Motor Power for main drive
5/7.5
7.5/10
10/15
15/25
25/30
30/40
40
HP
Machine Length
1900
2100
2300
2450
3000
3100
3100
mm
Machine Width
1400
1450
1650
1800
2300
2350
2350
mm
Height (Lid Open)
2200
2450
2750
3200
3400
3750
3850
mm